13928465180

咨询热线

13928465180

深圳市南嘉航威电子有限公司总部
联系人:朱利群(销售副总)
电话:86 0755 29565187
手机:13928465180
邮箱:huaweieczlq@163.com
网址:www.huaweisz.com
传真:86 0755 27304830
地址:中国广东深圳市宝安西乡华丰第二工业园丰润楼C座

产品展示

当前位置:首页-产品展示-产品展示-电连接器

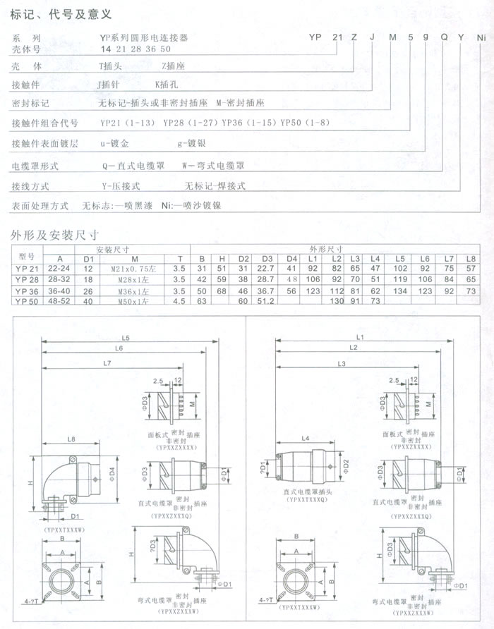
YP圆形连接器

发布时间:2021-03-22 03:53:26 点击量:564

YP圆形连接器


深圳市南嘉航威电子有限公司总部  版权所有  粤ICP备2021026438号

地址:中国广东深圳市宝安西乡华丰第二工业园丰润楼C座


技术支持:出格    粤ICP备2021026438号